Product Summary
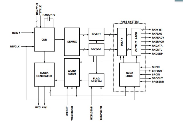
The HDMP-1034AG receiver is used together to build a high-speed data link for point-to-point communication. These silicon bipolar transmitter and receiver chips are housed in standard plastic 64 pin PQFP packages.The HDMP-1034AG hides from the user the complexity of encoding, multiplexing, clock extraction, demultiplexing and decoding. The CIMT encoding scheme used ensures the DC balance of the serial line.
Parametrics
HDMP-1034AG absolute maximum ratings: (1)Supply Voltage,Vcc:-0.5 to 5.0V; (2)Input Voltage : -0.7 to 5.5V; (3)H50 Input Voltage : 2.0 to Vcc; (4)Output Source Current:13mA; (5)Storage Temperature -65 +150°C; (6)Junction Temperature 0 +150°C; (7)Maximum Assembly Temperature (10 seconds maximum):+260°C.
Features
HDMP-1034AG features: (1)3.3 V supply, low power dissipation 660 mW Tx, 792 mW Rx; (2)On-chip encode/decode using Conditional Inversion Master Transition (CIMT) protocol; (3)1:N broadcast ready configurable receiver inputs allow multi-point data broadcast using a single transmitter; (4)Parallel Automatic Synchronization System (PASS) allows receiver to read recovered words with local reference clock; (5)Robust simplex mode; (6)Wide range serial rate 260-1400 MBaud (user selectable); (7)5 V tolerant TTL interface 16 or 17 Bits wide; (8)Low cost 64 pin plastic package 14x14 mm2 PQFP.
Diagrams

![]() |
![]() HDMP-0421 |
![]() Other |
![]() |
![]() Data Sheet |
![]() Negotiable |
|
||||
![]() |
![]() HDMP-0422 |
![]() Other |
![]() |
![]() Data Sheet |
![]() Negotiable |
|
||||
![]() |
![]() HDMP-0440 |
![]() Other |
![]() |
![]() Data Sheet |
![]() Negotiable |
|
||||
![]() |
![]() HDMP-0450 |
![]() Other |
![]() |
![]() Data Sheet |
![]() Negotiable |
|
||||
![]() |
![]() HDMP-0452 |
![]() Other |
![]() |
![]() Data Sheet |
![]() Negotiable |
|
||||
![]() |
![]() HDMP-0480 |
![]() Other |
![]() |
![]() Data Sheet |
![]() Negotiable |
|
||||
(China (Mainland))








