Product Summary
The VUM24-05 is a power MOSFET stage for boost converter, a module for power factor correction. The applications of the VUM24-05 include power factor pre-conditioner for SMPS, UPS, battery chargers and inverters, boost topology for SMPS including 1~rectifier bridge, power supply for welding equipment.
Parametrics
VUM24-05 absolute maximum ratings: (1)TS= 85℃, PD: 170 W; VGS= 0V, TS= 25℃, IS: 24 A; VGS= 0V, TS= 25℃, tp= ①, ISM: 95 A; (2)TS= 85℃, sinus 180, VRRM: 800V; IdAV: 40A; (3)TVJ= 45℃, t= 10 ms (50Hz), IFSM: 300A; t= 8.3ms (60Hz), IFSM: 320 A; TVJ= 150℃, t= 10ms (50Hz), IFSM: 260A; t= 8.3ms (60Hz), IFSM: 280 A; TS = 85℃, P: 33 W; (4)TVJ: -40 to +150℃; TJM: 150℃; Tstg -40 to +150℃.
Features
VUM24-05 features: (1)Package with DCB ceramic base plate; (2)Soldering connections for PCB mounting; (3)Isolation voltage 3600 V~; (4)Low RDS(on) HDMOSTM process; (5)Low package inductance for high speed switching; (6)Ultrafast boost diode; (7)Kelvin source for easy drive.
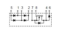
Diagrams

| Image | Part No | Mfg | Description | ![]() |
Pricing (USD) |
Quantity | ||||
|---|---|---|---|---|---|---|---|---|---|---|
![]() |
![]() VUM24-05N |
![]() Ixys |
![]() Discrete Semiconductor Modules 24 Amps 500V |
![]() Data Sheet |
![]() Negotiable |
|
||||
| Image | Part No | Mfg | Description | ![]() |
Pricing (USD) |
Quantity | ||||
![]() |
![]() VUM24-05N |
![]() Ixys |
![]() Discrete Semiconductor Modules 24 Amps 500V |
![]() Data Sheet |
![]() Negotiable |
|
||||
![]() |
![]() VUM25-05E |
![]() Ixys |
![]() MOSFET 25 Amps 500V |
![]() Data Sheet |
![]() Negotiable |
|
||||
![]() |
![]() VUM25-05 |
![]() Other |
![]() |
![]() Data Sheet |
![]() Negotiable |
|
||||
![]() |
![]() VUM24-05 |
![]() Other |
![]() |
![]() Data Sheet |
![]() Negotiable |
|
||||
(China (Mainland))









