Product Summary
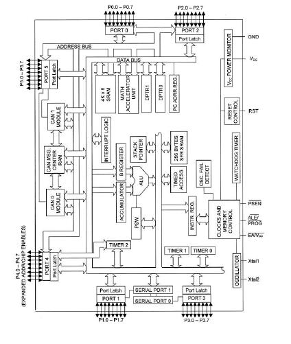
The DS80C390-QNR is a fast 8051-compatible microprocessor. The redesigned processor core executes 8051 instructions up to 3 times faster than the original for the same crystal speed. The DS80C390-QNR supports a maximum crystal speed of 40 MHz, resulting in apparent execution speeds of 100 MHz (approximately 2.5X). An optional internal frequency multiplier allows the microprocessor to operate at full speed with a reduced crystal frequency, reducing EMI. A hardware math accelerator further increases the speed of 32 and 16 bit.
Parametrics
DS80C390-QNR absolute maximum ratings: (1)Voltage on any pin relative to ground: -0.3 V to (VCC + 0.5 V); (2)Voltage on VCC relative to ground: -0.3 V to 6.0 V; (3)Operating temperature: -40℃ to +85℃ ; (4)Storage temperature: -55℃ to +125℃ ; (5)Soldering temperature: 160℃ for 10 seconds.
Features
DS80C390-QNR features: (1)80C52 compatible: 8051 instruction-set compatible; Four 8-bit I/O ports; Three 16-bit timer/counters; 256 bytes scratchpad RAM ; (2)High-Speed Architecture: 4 clocks/machine cycle (8051=12); Runs DC to 40 MHz clock rates; Frequency multiplier reduces EMI; Single-cycle instruction in 100 ns; 16/32-bit math coprocessor; (3)4 kB internal SRAM usable asprogram/data/stack memory; (4)Enhanced memory architecture: Addresses up to 4 MB external; Defaults to true 8051 memory compatibility; User-enabled 22-bit program/data counter; 16-Bit/22-bit paged/22-bit contiguousmodes; User-selectable multiplexed / non-multiplexed memory interface; Optional 10 bit stack pointer; (5)Two full-function CAN 2.0B controllers: 15 message centers per controller; Standard 11-bit or extended 29-bitidentification modes; Supports DeviceNet, SDS, and higher layerCAN protocols; Disables transmitter during autobaud; SIESTA low power mode; (6)Two full-duplex hardware serial ports; (7)Programmable IrDA clock; (8)High integration controller includes: Power-fail reset; Early-warning power-fail interrupt; Programmable watchdog timer; Oscillator-fail detection; (9)16 total interrupt sources with 6 external; (10)Available in 64-pin QFP, 68-pin PLCC.
Diagrams

| Image | Part No | Mfg | Description | ![]() |
Pricing (USD) |
Quantity | ||||||||||
|---|---|---|---|---|---|---|---|---|---|---|---|---|---|---|---|---|
![]() |
![]() DS80C390-QNR |
![]() Maxim Integrated Products |
![]() 8-bit Microcontrollers (MCU) Dual CAN High-Speed |
![]() Data Sheet |
![]()
|
|
||||||||||
![]() |
![]() DS80C390-QNR+ |
![]() Maxim Integrated Products |
![]() 8-bit Microcontrollers (MCU) Dual CAN High-Speed |
![]() Data Sheet |
![]()
|
|
||||||||||
(China (Mainland))










