Product Summary
The JM38510/11105BIC is a high-speed driver with precision dual single-pole, double-throw (SPDT) analog switches designed to provide accurate switching of video and audio signals. The JM38510/11105BIC is ideally suited for applications requiring a constant on-resistance over the entire analog range. The applications of the JM38510/11105BIC include audio switching, video switching, sample/hold, guidance and control systems, aerospace.
Parametrics
JM38510/11105BIC absolute maximum ratings: (1)V+ to V-: 36 V; (2)V+ to VD: 33 V; (3)VS, VD to V-: -0.3 to 33 V; (4)VD to VD: ±22 V; (5)VL to V-: 36 V; (6)VL to VIN: 8 V; (7)VL to VR: 8 V; (8)VIN to VR: 8 V; (9)VR to V-: 27 V; (10)VR to VIN: 2 V; (11)Current: 30 mA; (12)Storage Temperature: -65 to 150℃; (13)Power Dissipationa: 16-Pin Sidebrazeb: 900 mW; 14-Pin Flat Packc: 900 mW.
Features
JM38510/11105BIC features: (1)Constant on-resistance over entire analog range; (2)Low leakage; (3)Low crosstalk; (4)Rad Hardness.
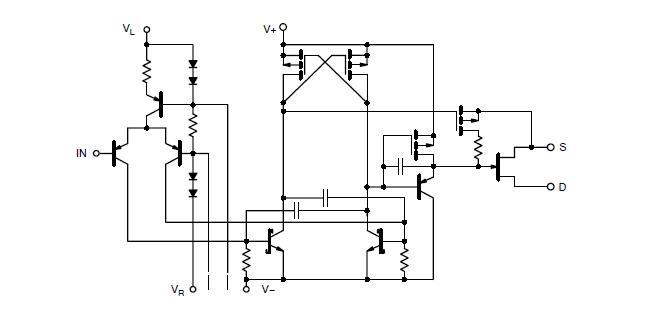
Diagrams

![]() |
![]() JM38510 |
![]() Other |
![]() |
![]() Data Sheet |
![]() Negotiable |
|
||||||||||||
![]() |
![]() JM38510/10103BCA |
![]() National Semiconductor (TI) |
![]() Operational Amplifiers - Op Amps |
![]() Data Sheet |
![]()
|
|
||||||||||||
![]() |
![]() JM38510/10103BGA |
![]() National Semiconductor (TI) |
![]() Operational Amplifiers - Op Amps |
![]() Data Sheet |
![]()
|
|
||||||||||||
![]() |
![]() JM38510/10103BPA |
![]() National Semiconductor (TI) |
![]() Operational Amplifiers - Op Amps |
![]() Data Sheet |
![]()
|
|
||||||||||||
![]() |
![]() JM38510/10107BPA |
![]() National Semiconductor (TI) |
![]() Operational Amplifiers - Op Amps |
![]() Data Sheet |
![]()
|
|
||||||||||||
![]() |
![]() JM38510/10201SIA |
![]() National Semiconductor (TI) |
![]() Linear Regulators - Standard |
![]() Data Sheet |
![]()
|
|
||||||||||||
(China (Mainland))








