Product Summary
The SLA7024M is a 2-Phase Stepper Motor Unipolar Driver IC.
Parametrics
SLA7024M absolute maximum ratings: (1)Motor Supply Voltage: 46 V; (2)FET Drain-Source Voltage: 100 V; (3)Control Supply Voltage: 46 V; (4)Input Voltag: 7 V; (5)Reference Voltage: 2 V; (6)Output Current: 1.5 A; (7)Power Dissipation: 4.5 (Without Heatsink) W, 35 (TC=25℃) W; (8)Channel Temperature: +150 ℃; (9)Storage Temperature: –40 to +150 ℃.
Features
SLA7024M electrical characteristics: (1)Control Supply Current: 10 mA typ and 15 mA max at Vs=44 V; (2)Control Supply Voltage: 10 to 44 V; (3)FET Drain-Source Voltage: 100 V min at VS=44V, IDSS=250μA; (4)FET ON Voltage: 0.6 V max at ID=1A, VS=14V; (5)FET Drain Leakage Current: 4 mA max at VDSS=100V, VS=44V; (6)FET Diode Forward Voltage: 1.1 V max at ID=1A; (7)TTL Input Current: 40 μA max at VIH=2.4V, VS=44V, -0.8 mA max at VIH=0.4V, VS=44V; (8)TTL Input Voltage (Active High): 2 V min at ID=1A, 0.8 V max at VDSS=100V; (9)TTL Input Voltage (Active Low): 2 V min at VDSS=100V, 0.8 V max at ID=1A.
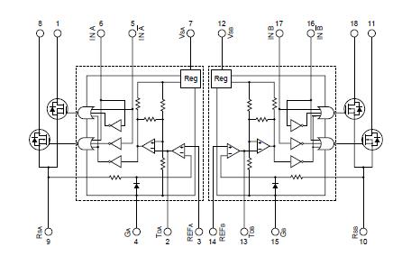
Diagrams

| Image | Part No | Mfg | Description | ![]()  | 
                            Pricing (USD)  | 
                            Quantity | ||||
|---|---|---|---|---|---|---|---|---|---|---|
![]()  | 
                            ![]() SLA7024M  | 
                            ![]() Other  | 
                            ![]()  | 
                            ![]() Data Sheet  | 
                            ![]() Negotiable  | 
                            
                            	 | 
                      ||||
| Image | Part No | Mfg | Description | ![]()  | 
                            Pricing (USD)  | 
                            Quantity | ||||
![]()  | 
                            ![]() SLA7020  | 
                            ![]() Other  | 
                            ![]()  | 
                            ![]() Data Sheet  | 
                            ![]() Negotiable  | 
                            
                            	 | 
                      ||||
![]()  | 
                            ![]() SLA7022MU  | 
                            ![]() Other  | 
                            ![]()  | 
                            ![]() Data Sheet  | 
                            ![]() Negotiable  | 
                            
                            	 | 
                      ||||
![]()  | 
                            ![]() SLA7024M  | 
                            ![]() Other  | 
                            ![]()  | 
                            ![]() Data Sheet  | 
                            ![]() Negotiable  | 
                            
                            	 | 
                      ||||
![]()  | 
                            ![]() SLA7026M  | 
                            ![]() Other  | 
                            ![]()  | 
                            ![]() Data Sheet  | 
                            ![]() Negotiable  | 
                            
                            	 | 
                      ||||
![]()  | 
                            ![]() SLA7027MU  | 
                            ![]() Other  | 
                            ![]()  | 
                            ![]() Data Sheet  | 
                            ![]() Negotiable  | 
                            
                            	 | 
                      ||||
![]()  | 
                            ![]() SLA7029M  | 
                            ![]() Other  | 
                            ![]()  | 
                            ![]() Data Sheet  | 
                            ![]() Negotiable  | 
                            
                            	 | 
                      ||||
 (China (Mainland)) 
                         
                        
                                    







