Product Summary
The STTH16R04CG Ultrafast recovery diode uses ST’s new 400 V planar Pt doping technology. The STTH16R04CG is specially suited for switching mode base drive and transistor circuits. Packaged in through-the-hole and surface mount packages, this STTH16R04CG is intended for use in low voltage, high frequency inverters, free wheeling and polarity protection.
Parametrics
STTH16R04CG absolute maximum ratings: (1)Repetitive peak reverse voltage: 400 V; (2)RMS forward current: 30 A; (3)Average forward current, δ = 0.5: TO-220AB / D2PAK; (4)Per diode Tc = 150℃: 8 A, Per device Tc = 145℃: 16 A, TO-220FPAB: Per diode Tc = 125℃: 8 A, Per device Tc = 90℃: 16 A; (5)Surge non repetitive forward current tp = 10 ms Sinusoidal: 120 A; (6)Storage temperature range: -65 to +175 ℃; (7)Maximum operating junction temperature range: -40 to +175 ℃.
Features
STTH16R04CG features: (1)Very low switching losses; (2)High frequency and/or high pulsed current operation; (3)High junction temperature; (4)Insulated package: TO-220FPAB, Electrical insulation = 1500 VRMS, Capacitance = 12 pF.
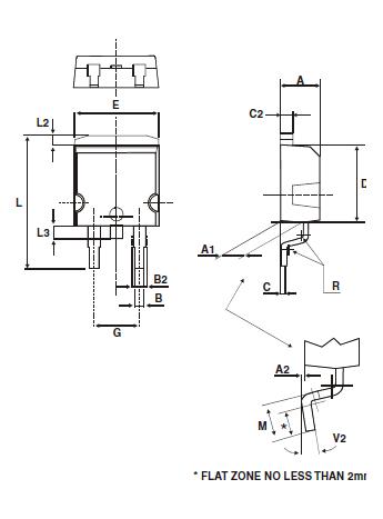
Diagrams

| Image | Part No | Mfg | Description | ![]()  | 
                            Pricing (USD)  | 
                            Quantity | ||||||||||
|---|---|---|---|---|---|---|---|---|---|---|---|---|---|---|---|---|
![]()  | 
                            ![]() STTH16R04CG  | 
                            ![]() STMicroelectronics  | 
                            ![]() Rectifiers Recovery Diode Ultra Fast  | 
                            ![]() Data Sheet  | 
                            ![]() Negotiable  | 
                            
                            	 | 
                      ||||||||||
![]()  | 
                            ![]() STTH16R04CG-TR  | 
                            ![]() STMicroelectronics  | 
                            ![]() Rectifiers Recovery Diode Ultra Fast  | 
                            ![]() Data Sheet  | 
                            ![]() 
  | 
                            
                            	 | 
                      ||||||||||
 (China (Mainland)) 
                         
                        
                                    







