Product Summary
The SV48-26-225-2 is a high density DCDC converter designed for use in distributed power architectures, workstations, EDP equipment, and telecommunication appliciations. The surface mount construction uses a metal baseplate and planar transformers to produce up to 240W in a half brick package. The SV48-26-225-2 is a suitable replacement for all industry standard half brick modules.
Parametrics
SV48-26-225-2 absolute maximum ratings: (1)Input Voltage: 62V Continuous; (2)Transient Input Voltage: 80V 100 ms max.; (3)Input/Output Isolation: 1500V; (4)Operating Case Temperature: -40 to 100℃; (5)Storage Temperature: -40 to 110℃.
Features
SV48-26-225-2 features: (1)High power density - up to 90W/in3; (2)Constant frequency - 370kHz; (3)-40 to +100℃ operation; (4)Over temperature protection; (5)High efficiency: 87% typical; (6)Low output noise; (7)Industry-standard pinout; (8)Metal baseplate; (9)2:1 input voltage range; (10)Output over voltage protection; (11)Current limit/short circuit protection; (12)Adjustable output voltage: 60% to 110% of; (13)V0,set Remote Sense; (14)Logic ON/OFF; (15)Safety agency approval.
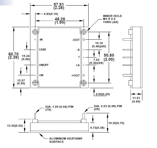
Diagrams

(China (Mainland))






