Product Summary
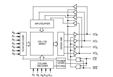
The CY7C168A-35DMB is a high-performance CMOS static RAM organized as 4096 by 4 bits. Easy memory expansion is provided by an active LOW Chip Enable (CE) and three-state drivers. The CY7C168A-35DMB has an automatic power-down feature, reducing the power consumption by 77% when deselected.
Parametrics
CY7C168A-35DMB absolute maximum ratings: (1)Storage Temperature: -65℃ to +150℃; (2)Ambient temperature with power applied: -55℃ to +125℃; (3)Supply voltage to ground potential(Pin 20 to Pin 10): - 0.5V to +7.0V; (4)DC voltage applied to outputs in high Z state: -0.5V to +7.0V; (5)DC input voltage: -3.0V to +7.0V; (6)Output current into outputs (Low): 20 mA; (7)Static discharge voltage: >2001V; (8)Latch-up current: >200 mA.
Features
CY7C168A-35DMB features: (1)Automatic power-down when deselected; (2)CMOS for optimum speed/power; (3)High speed_tAA = 15 ns; (4)Low active power_633 mW; (5)Low standby power_110 mW; (6)TTL-compatible inputs and outputs; (7)VIH of 2.2V; (8)Capable of withstanding greater than 2001V electrostat-ic discharge.
Diagrams

![]() |
![]() CY7C006 |
![]() Other |
![]() |
![]() Data Sheet |
![]() Negotiable |
|
||||||||||||
![]() |
![]() CY7C006A |
![]() Other |
![]() |
![]() Data Sheet |
![]() Negotiable |
|
||||||||||||
![]() |
![]() CY7C006A-15AXC |
![]() Cypress Semiconductor |
![]() SRAM 5V 16Kx8 COM Dual Port SRAM |
![]() Data Sheet |
![]() Negotiable |
|
||||||||||||
![]() |
![]() CY7C006A-15AXCT |
![]() Cypress Semiconductor |
![]() SRAM 5V 16Kx8 COM Dual Port SRAM |
![]() Data Sheet |
![]() Negotiable |
|
||||||||||||
![]() |
![]() CY7C006A-20AC |
![]() |
![]() IC SRAM 16KX8 DUAL 64LQFP |
![]() Data Sheet |
![]() Negotiable |
|
||||||||||||
![]() |
![]() CY7C006A-20AXC |
![]() Cypress Semiconductor |
![]() SRAM 5V 16Kx8 COM Dual Port SRAM |
![]() Data Sheet |
![]()
|
|
||||||||||||
(China (Mainland))










