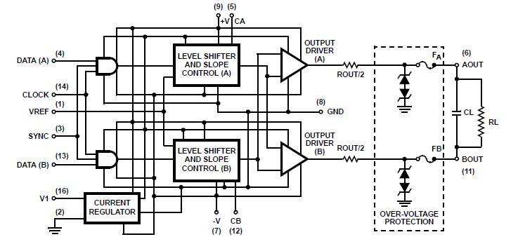
Product Summary
The HS1-3182-8 is a monolithic dielectrically isolated bipolar differential line driver, designed to meet the specifications of ARINC 429. The HS1-3182-8 is intended to be used with a companion chip, HS-3282 CMOS ARINC Bus interface circuit, which provides the data formatting and processor interface function. All logic inputs are TTL and CMOS compatible.
Parametrics
HS1-3182-8 absolute maximum ratings: (1)Voltage between +V and -V terminals: 40V; (2)V1: 7V; (3)VREF: 6V; (4)Logic input voltage: GND -0.3V to V1 +0.3V; (5)ESD classification: class 1.
Features
HS1-3182-8 features: (1)RoHS/Pb-free available for SBDIP package (100% gold termination finish); (2)TTL and CMOS compatible inputs; (3)Adjustable rise and fall times via two external capacitors; (4)Programmable output differential voltage via VREF Input; (5)Operates at data rates up to 100k Bits/s; (6)Output short circuit proof and contains overvoltage protection; (7)Outputs are inhibited (0V) if data (A) and data (B) inputs are Both in the Logic One state; (8)DATA (A) and DATA (B) signals are AND’d with clock and sync signals; (9)Full military temperature range.
Diagrams

![]() |
![]() HS1-3182-9+ |
![]() Intersil |
![]() Interface - Specialized ARINC BUS INTERFACE LINE DRVR-40+85C |
![]() Data Sheet |
![]()
|
|
||||||
![]() |
![]() HS1-6664RH-8 |
![]() Other |
![]() |
![]() Data Sheet |
![]() Negotiable |
|
||||||
(China (Mainland))









