Product Summary
The MRF581A is a RF & microwave discrete low power transistor, designed for high current, low power, low noise, amplifiers up to 1.0 GHz.
Parametrics
MRF581A absolute maximum ratings: (1)Low noise - 2.5 dB at 500 MHZ; (2)High gain, gain at optimum noise figure= 15.5 dB at 500 MHz; (3)Ftau - 5.0 GHz at 10v, 75mA; (4)Cost effective macrox package.
Features
MRF581A features: (1)Collector-emitter voltage, VCEO: 15V; (2)Collector-base voltage, VCBO: 30V; (3)Emitter-base voltage, VEBO: 2.5V; (4)Collector current, IC: 200mA.
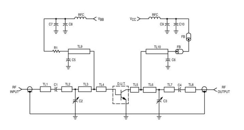
Diagrams

| Image | Part No | Mfg | Description | ![]() |
Pricing (USD) |
Quantity | ||||||||||||||||||||||
|---|---|---|---|---|---|---|---|---|---|---|---|---|---|---|---|---|---|---|---|---|---|---|---|---|---|---|---|---|
![]() |
![]() MRF581A |
![]() Advanced Semiconductor, Inc. |
![]() Transistors RF Bipolar Small Signal RF Transistor |
![]() Data Sheet |
![]()
|
|
||||||||||||||||||||||
![]() |
![]() MRF581AG |
![]() |
![]() TRANS RF NPN 5GHZ 15V MACR0 X |
![]() Data Sheet |
![]()
|
|
||||||||||||||||||||||
(China (Mainland))










