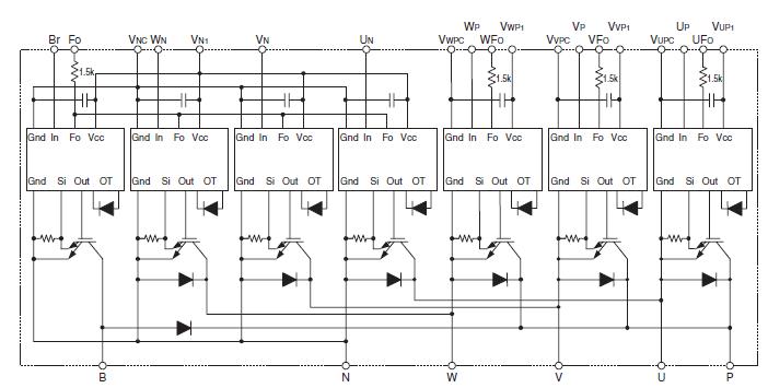
Product Summary
The PM50RL1C060 is an intelligent power module. The PM50RL1C060 is a flat-base type in insulated package. The applications of the PM50RL1C060 include general purpose inverter, servo drives and other motor controls.
Parametrics
PM50RL1C060 absolute maximum ratings: (1)Collector-emitter voltage, VD= 15V, VCIN= 15V, VCES: 600V; (2)Collector current, TC= 25℃, ±IC: 50A ; (3)Collector current (Peak), TC= 25℃, ±ICP: 100A; (4)Collector dissipation, TC= 25℃, PC: 168W; (5)Junction temperature, Tj:-20 to + 150℃.
Features
PM50RL1C060 features: (1)Adopting new 5th generation Full-Gate CSTBTTM chip; (2)The over-temperature protection which detects the chip surface temperature of CSTBTTM is adopted.; (3)Error output signal is possible from all each protection upper and lower arm of IPM: 50A, 600V Current-sense and temperature sense IGBT type inverter; Monolithic gate drive & protection logic; Detection, protection & status indication circuits for, shortcircuit, over-temperature & under-voltage (P-FO available from upper arm devices); UL Recognized.
Diagrams

| Image | Part No | Mfg | Description | ![]() |
Pricing (USD) |
Quantity | ||||||||||||
|---|---|---|---|---|---|---|---|---|---|---|---|---|---|---|---|---|---|---|
![]() |
![]() PM50RL1C060 |
![]() Other |
![]() |
![]() Data Sheet |
![]() Negotiable |
|
||||||||||||
| Image | Part No | Mfg | Description | ![]() |
Pricing (USD) |
Quantity | ||||||||||||
![]() |
![]() PM500 |
![]() Other |
![]() |
![]() Data Sheet |
![]() Negotiable |
|
||||||||||||
![]() |
![]() PM50100K |
![]() Other |
![]() |
![]() Data Sheet |
![]() Negotiable |
|
||||||||||||
![]() |
![]() PM50150 |
![]() Other |
![]() |
![]() Data Sheet |
![]() Negotiable |
|
||||||||||||
![]() |
![]() PM5022-100M |
![]() Bourns |
![]() Power Inductors 10uH 20% |
![]() Data Sheet |
![]() Negotiable |
|
||||||||||||
![]() |
![]() PM5022-100M-RC |
![]() J.W. Miller |
![]() Power Inductors 10uH 20% |
![]() Data Sheet |
![]()
|
|
||||||||||||
![]() |
![]() PM5022-101K-RC |
![]() Bourns |
![]() Power Inductors Pwr Inductor, Non-Shielded |
![]() Data Sheet |
![]() Negotiable |
|
||||||||||||
(China (Mainland))










