Product Summary
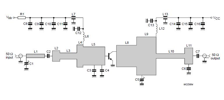
The BLV2045N is an UHF power transistor. NPN silicon planar UHF power transistor in a 2-lead SOT390A flange package with a ceramic cap. The emitter is connected to the flange. The applications of the BLV2045N include Common emitter class-AB operation in PCN and PCS applications in the 1800 to 2000 MHz frequency range.
Parametrics
BLV2045N absolute maximum ratings: (1)Collector-base voltage, open emitter, VCBO: 65 V; (2)Collector-emitter voltage, open base, VCEO: 27 V; (3)Emitter-base voltage, open collector, VEBO: 3 V; (4)Collector current (DC), IC: 4 A; (5)Average collector current, IC(AV): 4 A; (6)Total power dissipation, Tmb = 25 ℃, Ptot: 125 W; (7)Storage temperature,Tstg: -65 +150 ℃; (8)Operating junction temperature, TJ: 200 ℃.
Features
BLV2045N features: (1)Emitter ballasting resistors for optimum temperature profile; (2)Gold metallization ensures excellent reliability; (3)Internal input and output matching for an easy design of wideband circuits.
Diagrams

| Image | Part No | Mfg | Description | ![]()  | 
                            Pricing (USD)  | 
                            Quantity | ||||||||||||
|---|---|---|---|---|---|---|---|---|---|---|---|---|---|---|---|---|---|---|
![]()  | 
                            ![]() BLV2045N  | 
                            ![]() Other  | 
                            ![]()  | 
                            ![]() Data Sheet  | 
                            ![]() Negotiable  | 
                            
                            	 | 
                      ||||||||||||
| Image | Part No | Mfg | Description | ![]()  | 
                            Pricing (USD)  | 
                            Quantity | ||||||||||||
![]()  | 
                            ![]() BLV20  | 
                            ![]() Advanced Semiconductor, Inc.  | 
                            ![]() Transistors RF Bipolar Power RF Transistor  | 
                            ![]() Data Sheet  | 
                            ![]() 
  | 
                            
                            	 | 
                      ||||||||||||
![]()  | 
                            ![]() BLV2042  | 
                            ![]() Other  | 
                            ![]()  | 
                            ![]() Data Sheet  | 
                            ![]() Negotiable  | 
                            
                            	 | 
                      ||||||||||||
![]()  | 
                            ![]() BLV2044  | 
                            ![]() Other  | 
                            ![]()  | 
                            ![]() Data Sheet  | 
                            ![]() Negotiable  | 
                            
                            	 | 
                      ||||||||||||
![]()  | 
                            ![]() BLV2045N  | 
                            ![]() Other  | 
                            ![]()  | 
                            ![]() Data Sheet  | 
                            ![]() Negotiable  | 
                            
                            	 | 
                      ||||||||||||
![]()  | 
                            ![]() BLV2046  | 
                            ![]() Other  | 
                            ![]()  | 
                            ![]() Data Sheet  | 
                            ![]() Negotiable  | 
                            
                            	 | 
                      ||||||||||||
![]()  | 
                            ![]() BLV2047  | 
                            ![]() Other  | 
                            ![]()  | 
                            ![]() Data Sheet  | 
                            ![]() Negotiable  | 
                            
                            	 | 
                      ||||||||||||
 (China (Mainland)) 
                         
                        
                                    







